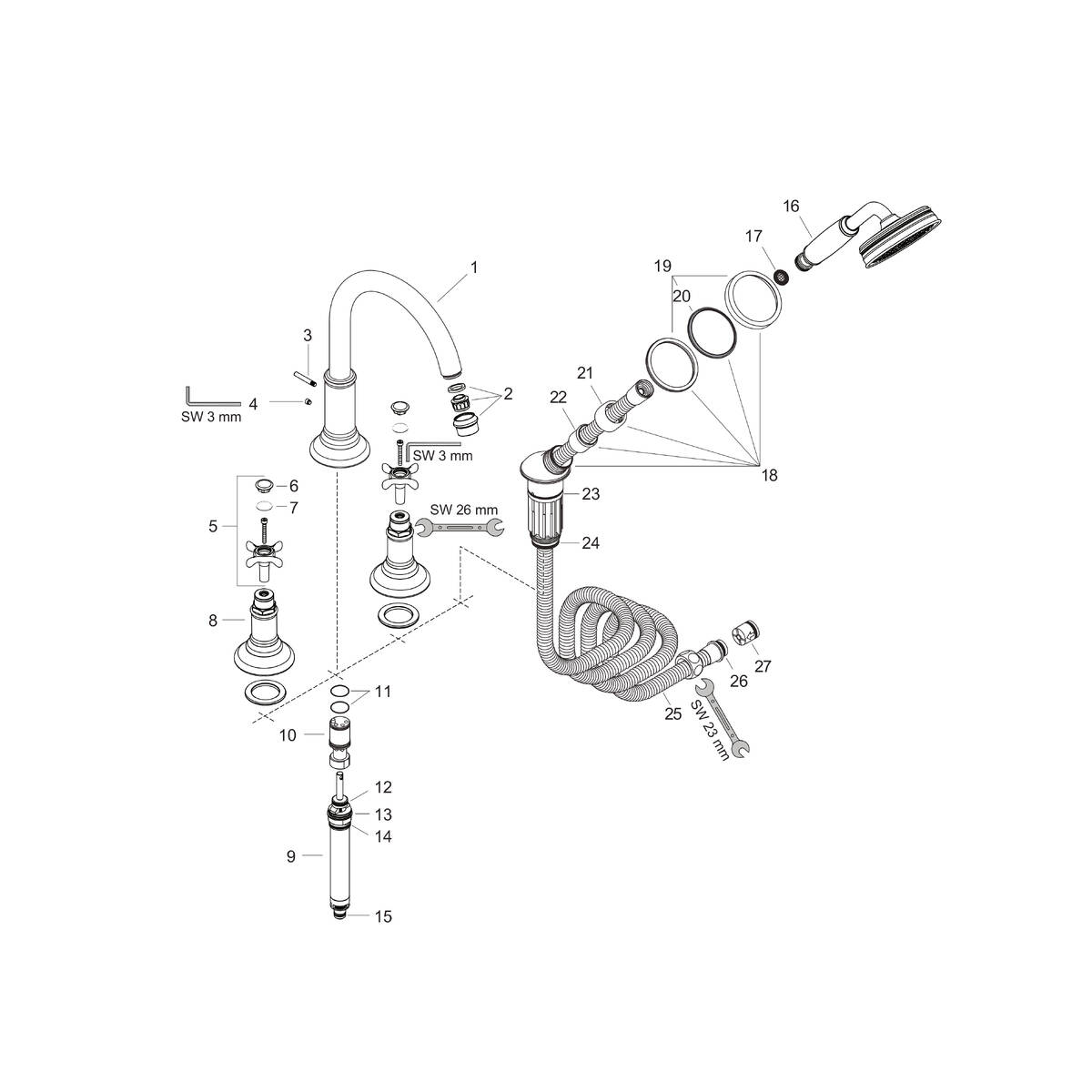
AXOR Montreux 

4-hole rim mounted bath mixer with cross handles

Art. no. 16546820

We endeavour to always provide up-to-date, complete information on our website.
However, we do not assume any liability for the up-to-dateness, accuracy, completeness or suitability of the information for particular uses.
Trusted partners

Find bathroom showrooms in your area